Задвижка 47GV Dendor с редуктором DN 800

Цена по запросуPrice
Запросить цену

Производитель: АО «ЭНЕРГИЯ»
Страна производства: Россия
DN: 800
PN: 16
Tраб.: от -25°C до +130°C
Tмакс.: +150°C
Корпус: чугун
Клин: чугун с покрытием EPDM
Тип соединения: фланцевое
Дополнительные опции: телескопический удлинитель штока, колонка управления задвижкой
Гарантия: 10 лет
Срок эксплуатации: 50 лет

Задвижка клиновая фланцевая чугунная с обрезиненным клином и невыдвижным шпинделем тип 47GV применяется для полного перекрытия потока рабочей среды. Она является является одним из распространенных типов трубопроводной арматуры, устанавливаемой на технологических и магистральных трубопроводах, транспортирующих воду. Направление потока – любое.

Общие технические характеристики

  • Корпус выполнен из чугуна с шаровидным графитом ВЧ50.
  • Задвижка надежно защищена от коррозии – корпус внутри и снаружи покрыт эпоксидным порошковым покрытием с толщиной слоя не менее 250 мкм.
  • Цвет корпуса синий: RAL5002.
  • Болты утоплены в корпусе и залиты термоклеем.
  • Клин выполнен из высокопрочного чугуна ВЧ50 и обрезинен эластомером EPDM для питьевой воды или NBR для сточных вод.
  • Шпиндель из нержавеющей стали.
  • Гайка клина выполнена из латуни, устойчивой к коррозии (обесцинкованию).

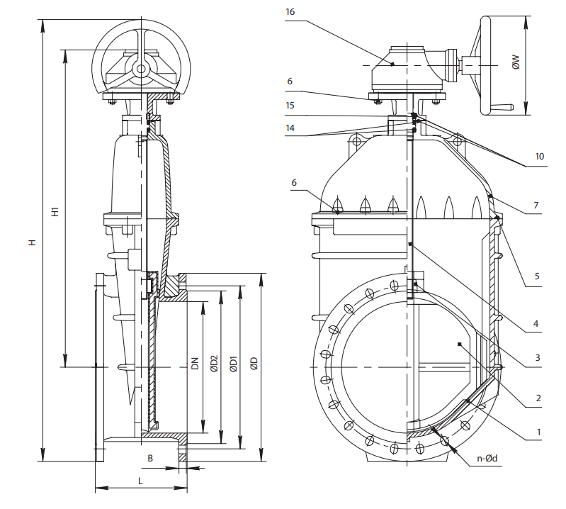
Конструкция и материалы

Конструкция задвижки Dendor 47GV с редуктором

Элемент конструкции Материал Маркировка
1. Корпус Чугун BЧ50 (GGG50) ГОСТ 7293-85
2. Клин Чугун с покрытием EPDM ВЧ50 (GGG50) ГОСТ 7293-85+EPDM
3. Гайка ходовая Латунь ЛC (Brass)
4. Шпиндель Нержавеющая сталь SS416
5. Уплотнение крышки EPDM EPDM
6. Крепежные элементы Оцинкованная сталь Ст35+Zn
Нержавеющая сталь A2
Сталь с термодиффузионным покрытием СТ35+ТД
7. Крышка Чугун BЧ50 (GGG50) ГОСТ 7293-85
8. Уплотнительное кольцо PTFE PTFE
9. Подшипник скольжения Латунь / Нержавеющая сталь ЛC (Brass) / SS416
10. Уплотнительное кольцо EPDM EPDM
11. Защитное кольцо EPDM EPDM
12. Гайка шпинделя Латунь ЛC (Brass)
14. Подшипник качения Подшипниковая сталь ШХ15
15. Втулка Латунь ЛС (Brass)
16. Редуктор Чугун ВЧ40 (GGG40) ГОСТ 7293-85

pdfРуководство по эксплуатации

pdfТехническое описание

Оплата производится с помощью безналичного расчета.

Доставка заказов осуществляется по всей России с помощью транспортных компаний: ТК «Возовоз» и «Деловые линии». Отправка посылки до терминала ТК – бесплатная.

Мы используем cookies с целью повышения удобства и эффективности работы пользователей.
Продолжая использовать сайт вы даете согласие на обработку ваших персональных данных.
OK
Купить в 1 клик
Запросить цену