Задвижка клиновая фланцевая чугунная с обрезиненным клином и невыдвижным шпинделем тип 47GV применяется для полного перекрытия потока рабочей среды. Она является является одним из распространенных типов трубопроводной арматуры, устанавливаемой на технологических и магистральных трубопроводах, транспортирующих воду. Направление потока – любое.
Общие технические характеристики
- Корпус выполнен из чугуна с шаровидным графитом ВЧ50.
- Задвижка надежно защищена от коррозии – корпус внутри и снаружи покрыт эпоксидным порошковым покрытием с толщиной слоя не менее 250 мкм.
- Цвет корпуса синий: RAL5002.
- Болты утоплены в корпусе и залиты термоклеем.
- Клин выполнен из высокопрочного чугуна ВЧ50 и обрезинен эластомером EPDM для питьевой воды или NBR для сточных вод.
- Шпиндель из нержавеющей стали.
- Гайка клина выполнена из латуни, устойчивой к коррозии (обесцинкованию).
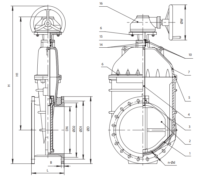
Конструкция и материалы
| № | Элемент конструкции | Материал | Маркировка |
|---|---|---|---|
| 1. | Корпус | Чугун | BЧ50 (GGG50) ГОСТ 7293-85 |
| 2. | Клин | Чугун с покрытием EPDM | ВЧ50 (GGG50) ГОСТ 7293-85+EPDM |
| 3. | Гайка ходовая | Латунь | ЛC (Brass) |
| 4. | Шпиндель | Нержавеющая сталь | SS416 |
| 5. | Уплотнение крышки | EPDM | EPDM |
| 6. | Крепежные элементы | Оцинкованная сталь | Ст35+Zn |
| Нержавеющая сталь | A2 | ||
| Сталь с термодиффузионным покрытием | СТ35+ТД | ||
| 7. | Крышка | Чугун | BЧ50 (GGG50) ГОСТ 7293-85 |
| 8. | Уплотнительное кольцо | PTFE | PTFE |
| 9. | Подшипник скольжения | Латунь / Нержавеющая сталь | ЛC (Brass) / SS416 |
| 10. | Уплотнительное кольцо | EPDM | EPDM |
| 11. | Защитное кольцо | EPDM | EPDM |
| 12. | Гайка шпинделя | Латунь | ЛC (Brass) |
| 14. | Подшипник качения | Подшипниковая сталь | ШХ15 |
| 15. | Втулка | Латунь | ЛС (Brass) |
| 16. | Редуктор | Чугун | ВЧ40 (GGG40) ГОСТ 7293-85 |




