Задвижка 47GV Dendor с маховиком DN 250

Цена по запросуPrice
Запросить цену

Производитель: АО «ЭНЕРГИЯ»
Страна производства: Россия
DN: 250
PN: 16
Tраб.: от -25°C до +130°C
Tмакс.: +150°C
Корпус: чугун
Клин: чугун с покрытием EPDM
Тип соединения: фланцевое
Дополнительные опции: телескопический удлинитель штока, колонка управления задвижкой
Гарантия: 10 лет
Срок эксплуатации: 50 лет

Задвижка клиновая фланцевая чугунная с обрезиненным клином и невыдвижным шпинделем тип 47GV применяется для полного перекрытия потока рабочей среды. Она является является одним из распространенных типов трубопроводной арматуры, устанавливаемой на технологических и магистральных трубопроводах, транспортирующих воду. Направление потока – любое.

Общие технические характеристики

  • Корпус выполнен из чугуна с шаровидным графитом ВЧ50.
  • Задвижка надежно защищена от коррозии – корпус внутри и снаружи покрыт эпоксидным порошковым покрытием с толщиной слоя не менее 250 мкм.
  • Цвет корпуса синий: RAL5002.
  • Болты утоплены в корпусе и залиты термоклеем.
  • Клин выполнен из высокопрочного чугуна ВЧ50 и обрезинен эластомером EPDM для питьевой воды или NBR для сточных вод.
  • Шпиндель из нержавеющей стали.
  • Гайка клина выполнена из латуни, устойчивой к коррозии (обесцинкованию).

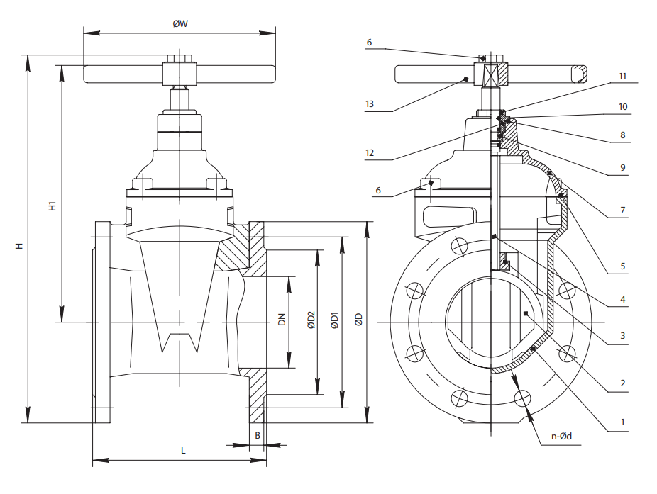
Конструкция и материалы

Конструкция задвижки Dendor 47GV с маховиком

Элемент конструкции Материал Маркировка
1. Корпус Чугун BЧ50 (GGG50) ГОСТ 7293-85
2. Клин Чугун с покрытием EPDM ВЧ50 (GGG50) ГОСТ 7293-85+EPDM
3. Гайка ходовая Латунь ЛC (Brass)
4. Шпиндель Нержавеющая сталь SS416
5. Уплотнение крышки EPDM EPDM
6. Крепежные элементы Оцинкованная сталь Ст35+Zn
Нержавеющая сталь A2
Сталь с термодиффузионным покрытием СТ35+ТД
7. Крышка Чугун BЧ50 (GGG50) ГОСТ 7293-85
8. Уплотнительное кольцо PTFE PTFE
9. Подшипник скольжения Латунь / Нержавеющая сталь ЛC (Brass) / SS416
10. Уплотнительное кольцо EPDM EPDM
11. Защитное кольцо EPDM EPDM
12. Гайка шпинделя Латунь ЛC (Brass)
13. Маховик Сталь (DN40-400) Cт20
Чугун (DN500-1000) BЧ50 (GGG50) ГОСТ 7293-85
14. Подшипник качения Подшипниковая сталь ШХ15
15. Втулка Латунь ЛС (Brass)

pdfРуководство по эксплуатации

pdfТехническое описание

Оплата производится с помощью безналичного расчета.

Доставка заказов осуществляется по всей России с помощью транспортных компаний: ТК «Возовоз» и «Деловые линии». Отправка посылки до терминала ТК – бесплатная.

Мы используем cookies с целью повышения удобства и эффективности работы пользователей.
Продолжая использовать сайт вы даете согласие на обработку ваших персональных данных.
OK
Купить в 1 клик
Запросить цену