1. Спецификация материалов
• Корпус: сталь (Ст.20, 12Х18Н10Т, )
• Шар: нержавеющая сталь
• DN 15-32: 20X13; DN 40-65: AISI 304; DN 80-700: AISI 409
• Шток: нержавеющая сталь (12Х18Н10Т, 20Х13)
• Уплотнение штока: фторсилоксановый эластомер
• Уплотнение штока/подшипник скольжения:фторопласт Ф4К20 (PTFE+C, Teflon)
• Уплотнение шара: фторопласт Ф4К20 (PTFE+C, Teflon) с дублирующим уплотнением из фторсилоксанового эластомера
Управление
• DN 15-250: рукоятка — окрашенная углеродистая сталь с полимерным наконечником
• DN 150-250: рекомендуется механический редуктор с червячной передачей
• DN 300-700: механический редуктор в комплекте
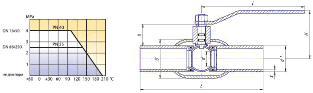
2. Основные технические характеристики


| DN | PN | Артикул | d | d* | s | D | H | h | I | L | Вес, кг. |
| 15 | 40 | 12200159402MULD000000000 | 10 | 21,3 | 2,8 | 38 | 72 | 63 | 170 | 200 | 0,8 |
| 20 | 40 | 12200209402MULD000000000 | 15 | 27 | 2,8 | 42 | 72 | 61 | 170 | 200 | 0,8 |
| 25 | 40 | 12200259402MULD000000000 | 18 | 32 | 3 | 48 | 75 | 61 | 170 | 230 | 1,1 |
| 32 | 40 | 12200329402MULD000000000 | 24 | 38 | 3,5 | 57 | 75 | 63 | 170 | 230 | 1,5 |
| 40 | 40 | 12200409402MULD000000000 | 30 | 48 | 3,5 | 60 | 92 | 64 | 235 | 250 | 2 |
| 50 | 40 | 12200509402MULD000000000 | 40 | 57 | 3,5 | 76 | 100 | 68 | 235 | 270 | 2,6 |
| 65 | 25 | 12200659252MULD000000000 | 49 | 76 | 4 | 89 | 110 | 64 | 235 | 280 | 3,4 |
| 80 | 25 | 12200809252MULD000000000 | 63 | 89 | 4 | 114 | 141 | 89 | 335 | 280 | 5,3 |
| 100 | 25 | 12201009252MULD000000000 | 75 | 108 | 5 | 133 | 150 | 89 | 335 | 300 | 6,7 |
| 125 | 25 | 12201259252MULD000000000 | 100 | 133 | 6 | 180 | 195 | 94 | 525 | 330 | 15,3 |
| 150 | 25 | 12201509252MULD000000000 | 125 | 159 | 6 | 219 | 210 | 98 | 525 | 360 | 20,6 |
| 200 | 25 | 12202009252MULD000000000 | 148 | 219 | 8 | 273 | 225 | 84 | 625 | 430 | 36 |
| 250 | 25 | 12202529252MULD000000000 | 200 | 273 | 8 | 351 | 270 | 100 | 625 | 510 | 54 |
| 300* | 16 | 12203009162MULD000000000 | 240 | 325 | 8 | 426 | 634 | 167 | — | 730 | 120 |
| 350* | 16 | 12203509162MULD000000000 | 300 | 377 | 10 | 530 | 690 | 196 | — | 730 | 230 |
| 400* | 16 | 12204009162MULD000000000 | 300 | 426 | 10 | 530 | 690 | 196 | — | 860 | 290 |
| 500* | 16 | 12205009162MULD000000000 | 390 | 530 | 10 | 630 | 870 | 170 | — | 970 | 450 |
| 600* | 25 | 12206009252MULD000000000 | 500 | 630 | 10 | 820 | 970 | 217 | — | 1143 | 740(870)* |
| 700* | 25 | 12207009252MULD000000000 | 600 | 720 | 10 | 1020 | 1065 | 270 | — | 1346 | 990(1120)* |
* поставляется с редуктором в комплекте. Строительная высота указана с редуктором





