Обратный пружинный подъемный клапан «Гранлок» DN 40

Цена по запросуPrice
Запросить цену

Производитель: ООО «Торговый Дом АДЛ»
DN, мм: 40
Страна производства: Россия
Тип соединения: фланцевое
Длина L, мм: 200
D, (мм): 150
D1, (мм): 110
D2, (мм): 84
Масса, кг: 9
Рабочая среда: вода, пар

Технические характеристики

Номинальное давление: 1,6 МПа
Испытание корпуса на прочность: 2,4 МПа
Максимальная температура: 300 °С
Наименьшее давление открытия: 0,005-0,01 МПа

Конструкция и материалы

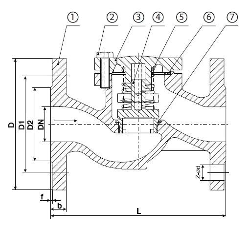
Клапаны обратные чугунные фланцевые пружинные подъемные «Гранлок»

Элемент конструкции Материал
1. Корпус Чугун GG25
2. Болт Сталь
3. Крышка Чугун GG25
4. Диск Нержав. сталь Х20Cr13
5. Пружина Пружинная сталь
6. Прокладка Графит
7. Седло Нержав. сталь Х20Cr13

Габаритные размеры

DN, (мм) L, (мм) D, (мм) D1, (мм) D2, (мм) b-f Z-d Kv, (м³/ч) Масса, (кг)
40 200 150 110 84 18-2 4х19 27,5 9

Зависимость «Температура – давление»

t, (°С) -10 120 150 180 200 230 250 300
PN, (МПа) 1,6 1,6 1,44 1,34 1,28 1,18 1,12 0,96

Фланцевое присоединение согласно стандарту DIN 2501 (DIN 2633 на PN 1,6 МПа) / EN 1092-2. Допустимо использование ответных фланцев российского производства согласно ГОСТ 33259-2015 на PN 1,6 МПа.

Оплата производится с помощью безналичного расчета.

Доставка заказов осуществляется по всей России с помощью транспортных компаний: ТК «Возовоз» и «Деловые линии». Отправка посылки до терминала ТК – бесплатная.

Мы используем cookies с целью повышения удобства и эффективности работы пользователей.
Продолжая использовать сайт вы даете согласие на обработку ваших персональных данных.
OK
Купить в 1 клик
Запросить цену